Designaciones de modelos
1. Nombre del código: Aro para acumulador
2. Diámetro: Φ89~Φ351

Una abrazadera de acumulador es un sujetador metálico diseñado específicamente para asegurar y soportar acumuladores hidráulicos o neumáticos.
Su función principal es evitar que el acumulador se balancee, se deforme o se dañe durante el funcionamiento debido a tensiones o vibraciones desiguales. A diferencia de los soportes (soportes) que solo soportan peso, las abrazaderas se centran en un posicionamiento fijo y normalmente se utilizan junto con los soportes.

Estructura y características
Material: Normalmente está hecho de acero de alta resistencia (como Q235, Q345) o acero inoxidable para garantizar que pueda soportar las fuerzas de impacto bajo alta presión.
Estructura: Los diseños comunes incluyen abrazaderas en forma de U (abrazaderas en forma de U) o conexiones atornilladas. El apriete se logra girando los pernos o utilizando tornillos de fijación y componentes acoplados.
Aplicaciones: Ampliamente utilizado en maquinaria pesada como excavadoras, grúas y máquinas de moldeo por inyección, así como en sistemas hidráulicos en las industrias eólica, petrolera y química.
Nota de pedido
1. Es necesario completar el código de tipo antes de reservar, como: Cuadro de Nom. V25L; D0299HOOP; NX-KG/Φ299 (junta de caucho incluida).
2. Contáctenos si se necesita un requisito especial.
3. Nuestra empresa conserva los derechos de cambio de diseño y la revisión entra en vigor sin previo aviso.
Podemos diseñar y desarrollar de acuerdo a las necesidades de nuestros clientes para satisfacer los requerimientos de diferentes clientes.
Designaciones de modelos
1. Nombre del código: Aro para acumulador
2. Diámetro: Φ89~Φ351
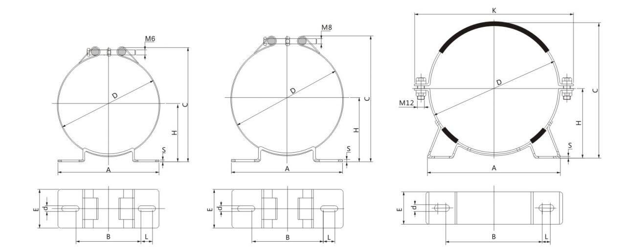
Dimensión general
| Modelo | A | B | C | D | E | H | K | S | d | L | Modelo de acumulador compuesto |
| NX-KG/Φ89 | 120 | 85 | 112 | 89-92 | 60 | 51-53 | 2.5 | 9 | 9 | L0,4-L0,63 | |
| NX-KG/Φ114 | 156 | 100 | 143 | 106-114 | 60 | 62-66 | 3 | 12 | 18 | L1 | |
| NX-KG/Φ152 | 163 | 108 | 191 | 152-159 | 60 | 87-91 | 3 | 12 | 15 | L1.6-L6.3 | |
| NX-KG/Φ219 | 240 | 158 | 247 | 216-224 | 60 | 120-124 | 3 | 12 | 28 | L10-L40 | |
| NX-KG/Φ299 | 350 | 260 | 325 | 299 | 40 | 172 | 370 | 3 | 16 | 20 | L20-L100 |
| NX-KG/Φ229 | 238 | 155 | 265 | 223-234 | 60 | 120-127 | 4 | 12 | 32 | - |